在线报名
|
证书查询
关于我们
新闻通知
技术培训
文件下载
业务范围
在线报名
联系我们
技术培训
报名条件
专业设置
化学分析
金相检验
力学性能
光谱分析
造型材料性能
工作细则
培训通知
在线报名
证书查询
培训通知
您当前的位置:
首页
>
新闻通知
>
培训通知
5月-培训通知:理化检验人员专业技术证书到期复核换证的培训通知
更新时间:2026-04-14 浏览 968 次
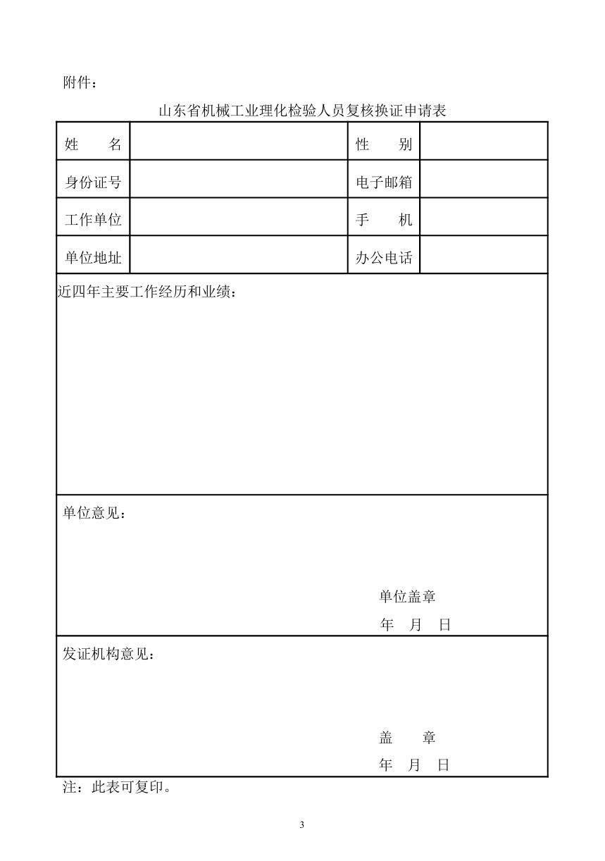
本文下载点击这里:
鲁机理化协[2026]3号.pdf
上一篇:
5月-理化检测体系等级证书到期复核换证通知
下一篇:
没有了!
网站首页
|
关于我们
|
新闻通知
|
技术培训
|
文件下载
|
业务范围
|
在线报名
|
在线课程
|
联系我们
Copyright © 2025 山东机械工业理化检测协会 All rights reserved.
鲁ICP备17011347号-1